Access Denied
IMPORTANT! If you’re a store owner, please make sure you have Customer accounts enabled in your Store Admin, as you have customer based locks set up with EasyLockdown app. Enable Customer Accounts
1
/
of
3
Leybold
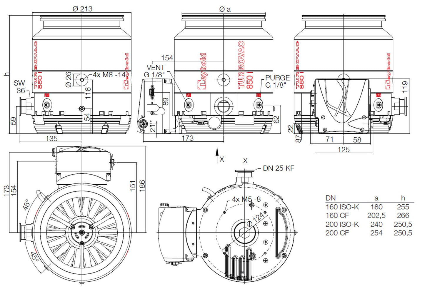
Leybold TURBOVAC 850 i/iX
Leybold TURBOVAC 850 i/iX
Couldn't load pickup availability
Do you have questions?
Do you have questions?
- Did you find a better price?
- Questions about delivery?
- Adaptation for your process as needed?



- Description
- Documents
- Necessary accessories
- Optional accessories
- Oils / Operating materials
- Spare Parts
- Service
Leybold TURBOVAC i/iX – High-Performance Turbomolecular Pumps for Advanced Vacuum Applications
The TURBOVAC i/iX series combines innovative technology with modular design to deliver maximum pumping performance in a compact form. Perfect for industrial and scientific use.
- Versatile Models: Pumping speeds ranging from 90 to 1,450 l/s for diverse needs.
- Efficient Bearings: Hybrid rotor bearings with oil-free, lifetime-lubricated ceramic ball bearing and wear-free magnetic bearing.
- Oil-Free Operation: Prevents contamination and reduces maintenance requirements.
- Compact Design: Easy to integrate, suitable for demanding installations.
- Cooling Options: Air or water cooling for added flexibility.
- Advanced Features: Integrated interfaces such as RS485, USB, and digital I/O connections.
- Enhanced Safety: Standard venting and purge gas ports.
Typical Applications: Semiconductor technology, coating processes, analytics, research and development, and ultra-high vacuum applications.
Invalid password
Enter